top of page

PROJETO
PROBLEMA
PROPOSTA

problema

proposito
Os ônibus elétricos urbanos têm a vida útil do conjunto de baterias reduzida quando atingem temperaturas inadequadas durante o funcionamento.
Aumentar a vida útil do pacote de baterias ao manter a temperatura dentro da condição ideal de funcionamento, entre 15 e 40°C.
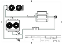
MODELO DO SISTEMA
Ar-condicionado

Bomba
Resistência Elétrica
Baterias
Reservatório de Fluído
Radiador
Válvulas de Retenção
Ar-condicionado
Válvulas Direcionais
FUNCIONAMENTO DO SISTEMA
LAYOUT DO PROJETO
![]() | ![]() | ![]() |
|---|---|---|
![]() | ![]() | ![]() |
![]() | ![]() | ![]() |
![]() | ![]() | ![]() |
![]() | ![]() | ![]() |
![]() | ![]() | ![]() |
![]() | ![]() | ![]() |
![]() | ![]() | ![]() |
![]() | ![]() | ![]() |
bottom of page



























